DELEKS S.r.l.
Via Industriale, 23
25028 Verolanuova (BS) Italy
Tel. 030 6585725
Mail info@deleks.com
Lun - Ven: 9.00-13.00 / 14.00-18.00
Grappin coupeur hydraulique pour mini-pelle - 100% HARDOX
DETAILS
Cisaille d'abattage hydraulique DELEKS® et grappin – Fabriqué en Italie - 100% Hardox, lame en acier trempé, pour la coupe et la manutention de grumes et d'arbres jusqu'à ø 10 cm.
UTILISATION
Le CF-10 est idéal pour l'abattage et le ramassage du bois à usage énergétique, pour le défrichage des champs et des bords de route.
Le grappin coupeur pour mini-pelle DELEKS® CF-10 peut couper des arbres ou grouper du bois plus minces avec la tête d'abattage. La tête d'abattage a une lame durcie puissante qui coupera proprement et en toute sécurité le bois.
Disponible avec des accouplements de pelle (sur demande).
Le grappin coupeur est disponible en rotation fixe ou complète à 360 degrés avec rotateur hydraulique pour élaguer les arbres ou couper le bois tombé.
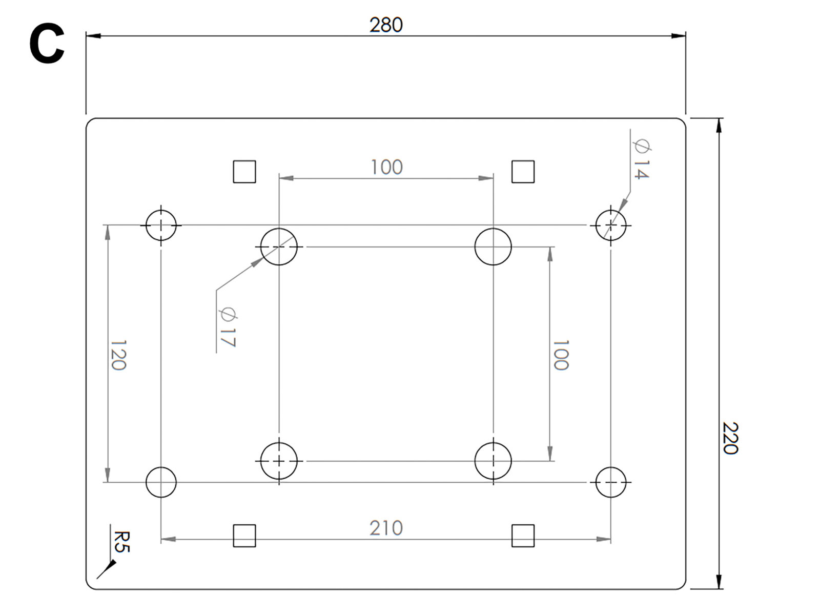
Dimensions de fixation de la plaque : Voir dessin C.
CARACTÉRISTIQUES ET AVANTAGES
Fabriqué à 100% en HARDOX pour une résistance maximale à la torsion.
Lame fabriquée en Italie en acier trempé 43 HRC.
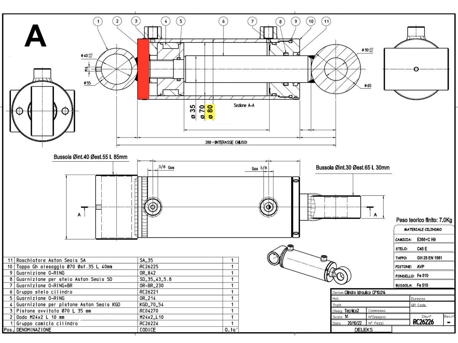
Vérin hydraulique spécialement conçu pour cet usage avec fond renforcé pour fortes charges (voir dessin A).
Goupilles en matériau spécial 42CrMo4 de ø30 et ø35 mm (voir dessin B).
CF-10 est le plus petit grappin coupeur de la gamme, et sa légèreté permet à la mini-pelle de maintenir sa capacité.
Coupe au niveau du sol, permet d'accéder aux souches: le grappin DELEKS CF-10 coupe le bois à récolter proprement et avec précision au point désiré du niveau du sol, et ses caractéristiques techniques garantissent que les souches soint coupées au niveau du sol.
2 en 1 coupe et ramasse: si nécessaire, la lame de coupe peut être retirée, dans ce cas la tête d'abattage agit comme un grappin à bois.
Il est simple à attacher et à utiliser.
CARACTERISTIQUES
| Caractéristiques | Unité métrique |
|---|---|
| Poid | 52.0 kg |
| Diamètre de coupe du tronc | 90-120 mm |
| Pression optimale min/max d'huile | 150 - 210 bar |
| Flux optimale d'huile | 08/22 l/m |
| Ouverture maximale | 540.0 mm |
| ø vérin hydraulique | 80.0 - 35.0 mm |
| Gamme de pelles | 1.0 - 2.0 ton |
| Dimensions de la marchandise pour envoi | 600.0*800.0*450.0 mm |
DETAILS
FERMERCisaille d'abattage hydraulique DELEKS® et grappin – Fabriqué en Italie - 100% Hardox, lame en acier trempé, pour la coupe et la manutention de grumes et d'arbres jusqu'à ø 10 cm.
UTILISATION
Le CF-10 est idéal pour l'abattage et le ramassage du bois à usage énergétique, pour le défrichage des champs et des bords de route.
Le grappin coupeur pour mini-pelle DELEKS® CF-10 peut couper des arbres ou grouper du bois plus minces avec la tête d'abattage. La tête d'abattage a une lame durcie puissante qui coupera proprement et en toute sécurité le bois.
Disponible avec des accouplements de pelle (sur demande).
Le grappin coupeur est disponible en rotation fixe ou complète à 360 degrés avec rotateur hydraulique pour élaguer les arbres ou couper le bois tombé.
Dimensions de fixation de la plaque : Voir dessin C.
CARACTÉRISTIQUES ET AVANTAGES
Fabriqué à 100% en HARDOX pour une résistance maximale à la torsion.
Lame fabriquée en Italie en acier trempé 43 HRC.
Vérin hydraulique spécialement conçu pour cet usage avec fond renforcé pour fortes charges (voir dessin A).
Goupilles en matériau spécial 42CrMo4 de ø30 et ø35 mm (voir dessin B).
CF-10 est le plus petit grappin coupeur de la gamme, et sa légèreté permet à la mini-pelle de maintenir sa capacité.
Coupe au niveau du sol, permet d'accéder aux souches: le grappin DELEKS CF-10 coupe le bois à récolter proprement et avec précision au point désiré du niveau du sol, et ses caractéristiques techniques garantissent que les souches soint coupées au niveau du sol.
2 en 1 coupe et ramasse: si nécessaire, la lame de coupe peut être retirée, dans ce cas la tête d'abattage agit comme un grappin à bois.
Il est simple à attacher et à utiliser.
CARACTERISTIQUES
FERMER| Caractéristiques | Unité métrique |
|---|---|
| Poid | 52.0 kg |
| Diamètre de coupe du tronc | 90-120 mm |
| Pression optimale min/max d'huile | 150 - 210 bar |
| Flux optimale d'huile | 08/22 l/m |
| Ouverture maximale | 540.0 mm |
| ø vérin hydraulique | 80.0 - 35.0 mm |
| Gamme de pelles | 1.0 - 2.0 ton |
| Dimensions de la marchandise pour envoi | 600.0*800.0*450.0 mm |
English
Nederlands
